ラジオを作っている覚え書き
最近、ラジオ作りをはじめました。SDRのICを使えば簡単につくれる、、、らしいということで。ARDFの受信機が作れるようになることが最終目標なのですが、、、

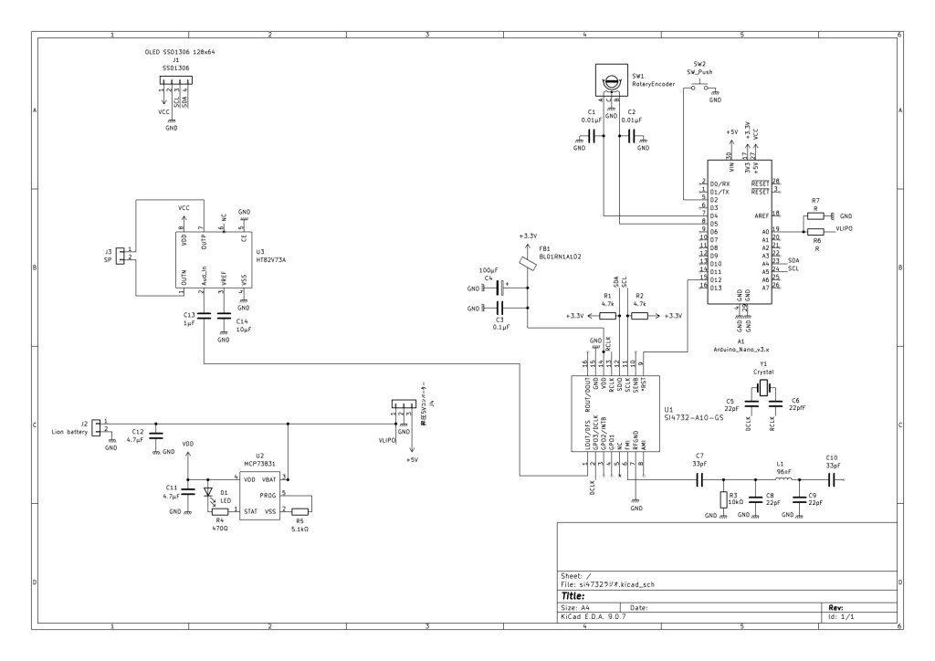
とりあえず、ここまで到達するまでに試行錯誤がったので、、覚え書きです。
構成
○arduino nano
○si4732ラジオボード(aitendo)
○ssd1306 128×64
○HT82V73A(アンプ)
○MCP73831(充電制御)
○5V昇圧モジュール(XCL102)
○リチウムポリマー 1000mA

アンプは最初PAM8302を使っていたのですが、ノイズが多くて受信感度が落ちてしまいました。HT82V73Aに変えたら十分使えるように。
アンテナ周りは色々コンデンサーの数値を変えたのですが、とりあえずこの形が良さそうです。
とにかくsi4732にノイズが乗らないようにするのが重要なようで、3.3Vの給電のところに、フェアライトビーズを足したら効果がありました。
ロータリーエンコーダーはコンデンサーをつけないと誤動作が多発しました。
薄型ロータリーエンコーダーの軸は2㎜外径の六角棒をつかいます
電池は1000mAでめちゃくちゃ電池はもちますね。十分です。

